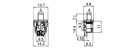
Push-type Detector Switches
SW1AG-550

- Superior reliability at micro-current by employing a sliding contact.
*Please contact us for the current production status.
Application
Typical Specifications
- Poles
- 1
- Positions
- 1
- Operating force
- 1N max
- Rating
- 10mA 5V DC
- Contact resistance
- 100mΩ
- Insulation resistance
- 100MΩ
- 耐電圧
- 100V AC for 1min
- Operating life
- 100,000cycles
